S型拉力傳感器
BCS-MD型 微型拉力傳感器
特點及用途:
高精度、高穩定性、輸出對稱性好、拉壓兩用。
適用于空間有限的拉壓力測量場合,大量運用于工業自動化、集成控制系統中。
技術參數:
量程
0.5、1、2、5、10、20、50 kg
輸入阻抗
350 ± 5 Ω
靈敏度
1.5 ± 0.2 mv/V
輸出阻抗
350 ± 5 Ω
綜合精度
0.1 %F·S
絕緣阻抗
≥ 2000 MΩ
蠕變
±0.05 %F·S/30min
激勵電壓
5 ~ 12 VDC
非線性
±0.05 %F·S
工作溫度范圍
-20 ~ ﹢70℃
滯后誤差
±0.05 %F·S
允許過負荷
120 %F·S
重復性誤差
±0.05 %F·S
密封等級
IP65
零點溫度系數
±0.03 %F·S/10℃
材質
不銹鋼
輸出溫度系數
±0.03 %F·S/10℃
線纜
φ3 × 2000
mm
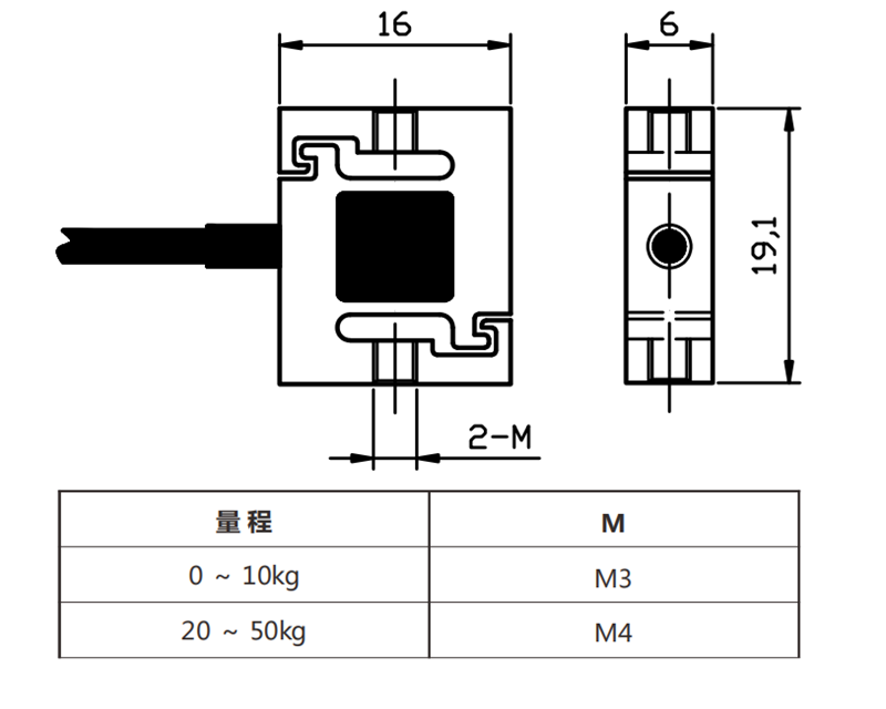
產品尺寸:





