輪輻式稱重傳感器
BCHU-2型 輪輻式稱重傳感器
特點及用途:
高精度、高可靠性、抗偏載力、測量高度低。
適用于電子地中衡、料倉秤、軌道衡、平臺秤、汽車衡及料倉物位測量與控制等場所。
技術參數:
|
量程 |
100、200、300、400、500、1000 t |
輸入阻抗 |
735 ± 35 Ω |
|
靈敏度 |
2.0 ± 0.1 mv/V |
輸出阻抗 |
700 ± 3 Ω |
|
綜合精度 |
0.1 %F·S |
絕緣阻抗 |
≥ 2000 MΩ |
|
蠕變 |
±0.05 %F·S/30min |
激勵電壓 |
5 ~ 12 VDC |
|
非線性 |
±0.05 %F·S |
工作溫度范圍 |
-20 ~ ﹢70℃ |
|
滯后誤差 |
±0.05 %F·S |
允許過負荷 |
120 %F·S |
|
重復性誤差 |
±0.05 %F·S |
密封等級 |
IP67 |
|
零點溫度系數 |
±0.03 %F·S/10℃ |
材質 |
合金鋼 |
|
輸出溫度系數 |
±0.03 %F·S/10℃ |
線纜 |
φ5 × 2000 mm |
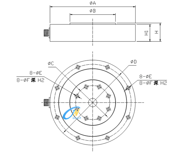
產品尺寸:
|
量程(t) |
ΦA |
ΦB |
H |
H1 |
ΦC |
ΦD |
E |
F |
H2 |
|
100 |
240 |
110 |
65 |
60 |
86 |
210 |
9 |
14 |
12 |
|
200 |
300 |
160 |
80 |
75 |
120 |
270 |
9 |
14 |
12 |
|
500 |
440 |
262 |
135 |
130 |
220 |
400 |
13.5 |
20 |
18 |
|
1000 |
570 |
472 |
165 |
160 |
350 |
520 |
18 |
28 |
22 |
- 上一個:BCHU-1





